PP材質塑料篩分機采用聚丙烯材料(PP材料)通過特殊加工而生產研制的一種新型篩分設備,完全解決耐酸堿性、耐腐蝕性的物料篩分難題,因此也叫做耐腐蝕振動篩、耐酸堿振動篩、聚丙烯塑料振動篩、pp塑料振動篩、塑料化工振動篩等等叫法,但是主要使用目的是將腐蝕性粉體或者將液體進行篩分過濾。

PP材質塑料篩分機主要使用目的是將腐蝕性較大的物料進行篩分過濾。我公司設計研發的塑料振動篩是專門針對解決一些特殊物料與Q235普通碳鋼及SUS304不銹鋼材質接觸后容易產生氧化、腐蝕等問題。是目前有效解決具有氧化、腐蝕鋼鐵材質的物料篩分、除雜、過濾的方案,并且確保了物料在篩分過程中不會變質。塑料防腐振動篩是目前有氧化、腐蝕鋼鐵材質特性物料篩分、除雜、過濾有效的解決方案。


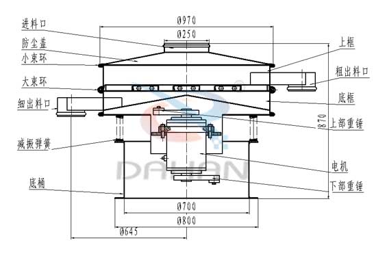
PP材質塑料篩分機采用YZUL立式振動電機作為激振源,通過振動電機上下兩端的偏心重錘將旋轉運動轉變為水平、垂直、傾斜的三次元運動,并傳遞到篩面上;物料通過入料口進入設備內,根據不同物料篩分要求,物料經過1-5層采用不同目數的金屬編織篩網的篩分層,在這個過程中,位于各層的篩網下的清網裝置(彈跳球)通過頻率振動不斷撞擊不銹鋼篩網,使篩網上層物料能夠順暢的透網篩分,并有效解決了物料堵網問題出現,不同目數的物料通過各層對應目數的篩網后在各層的出料口排出,終實現篩選除雜或過濾分級的目的。調節上、下兩端的相位角,可以改變物料在篩面上的運動軌跡,具體如下圖:




| 型號 | 篩分(mm) | 功率(kw) | 篩網規格 | 電壓(v) | 層數 |
| SLS-400 | 350 | 0.18 | 2-500目 | 380 | 1-5層 |
| SLS-600 | 550 | 0.25 | |||
| SLS-800 | 750 | 0.55 | |||
| SLS-1000 | 920 | 0.75 | |||
| SLS-1200 | 1120 | 1.1 | |||
| SLS-1500 | 1420 | 1.5 | |||
| SLS-1800 | 1720 | 2.2 |




1、必須均勻給料:給料量以滿足設備處理為準。一次投料過多,阻礙物料在篩面上的正常運動,不但易使篩網疲勞變松,而且會大大降低物料處理量。 一次性給予大量物料,會使本身處于不平衡運轉的電機負荷驟然增加,而造成電機損壞、減低電機的壽命。如給料量達不到設備的處理能力,即浪費能源,又降低了 產量。
2、有強大沖擊力的給料方式,必須加裝緩沖料斗,物料直接沖擊網面,不但消耗振動源所產生的激振力,更易造成網面破損及篩網疲勞,而影響產量及篩分.過濾的質量。
3、如篩分物料有腐蝕性,使用過后請及時清理干凈。
4、請經常觀看工作網是否變松,請再次使網繃緊。
新鄉大漢機械是專業生產防腐蝕塑料振動篩的廠家,所司生產的抗腐蝕振動篩技術靠前、質量穩定可靠,深受廣大用戶的認可和喜愛,如有需要,可隨時聯系24小時服務手機158-3619-8876,我們將熱情為您服務,提供先進的完整的篩分方案!
閱讀此文的人還閱讀了以下產品:



